| штат: | |
|---|---|
| Количество: | |
DF-40A
HEE
Литая сталь двойной битт
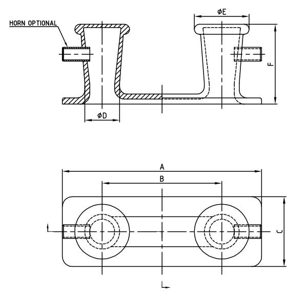
Mooel no | A | B | C | фд | y. | F | Wt. (Фунты) | РОГ |
| DF-2 | 40 ' | 27 ' | 14 ' | 7 ' | 11 ' | 16 ' | 375 | √ |
| DF-2A | 40 ' | 27 ' | 14 ' | 7 ' | 11 ' | 16 ' | 385 | X |
| DF-40 | 45 ' | 24 ' | 15 ' | 9 ' | 13 1/2 ' | 18 ' | 545 | √ |
| DF-40A | 45 ' | 24 ' | 15 ' | 9 ' | 13 1/2 ' | 18 ' | 560 | X |
Литые стальные причалкивающие двойные кусочки служат основой систем швартовки судов, обеспечивая надежные точки привязки для обеспечения нескольких линий швартировки во время причала, стыковки и оффшорных операций. Поскольку современные сосуды требуют повышенной способности швартовки для обработки больших грузовых нагрузок и более сильных сил окружающей среды, эти двойные биты обеспечивают исключительную прочность с гибкими возможностями управления линиями. Построенная из литой стали класса ASTM A27 в цельной конструкции, они оснащены двумя 14-дюймовыми столбами диаметром 42 дюйма, на расстоянии 24 дюйма друг от друга, чтобы разместить параллельные швартовки. Благодаря объединенной безопасной рабочей нагрузке (SWL) 1800 кН (183 тонн) эти биты спроектированы для крупных коммерческих судов, включая объемные носители, контейнерные корабли и танкеры СПГ, работающие в крупных портах по всему миру.
Две вертикальные посты имеют интегральное подкрепление базового уровня с 1-дюймовой лямкой, соединяющей их с 30-дюймовым квадратным монтажным фланцем. Каждое сообщение включает в себя конический верх (диаметр 6 дюймов на пике) с округлыми краями, чтобы предотвратить повреждение веревки, в то время как поверхности после полировки отполируются до 3,2 мкм RA 3,2 мкм, чтобы уменьшить трение. Расстояние позволяет одновременно обращаться с двумя веревками диаметром 90 мм с минимальными помехами.
Произведенные с использованием литья песчаника смолы для репликации сложной геометрии, биты получают последовательные свойства материала с прочностью растяжения, превышающей 400 МПа. Огромное литье устраняет сварные швы, которые создают потенциальные точки отказа, в то время как термообработка до 190 BHN обеспечивает оптимальную твердость для износостойкости. Неразрушающее тестирование подтверждает отсутствие внутренних дефектов в областях критической нагрузки.
Вся сборка подвергается многоэтапной обработке поверхности : абразивную взрыву в SA 3.0, применение эпоксидного праймера, богатого цинком 150 мкм, и отделочное покрытие 80 мкм морского полиуретана. Эта система обеспечивает более 2000 часов устойчивости к солевым распылителям на ASTM B117. Дренажные каналы, обработанные в базовый фланец, предотвращают объединение воды вокруг монтажных болтов.
Двойные посты позволяют самостоятельно закреплять и регулировать несколько линий швартировки, обеспечивая точный контроль напряжения и снижая риск запутывания линии. Эта конфигурация обеспечивает эксплуатационную гибкость для обработки различных сценариев швартовки, включая порт, оффшорное якорное якорь и аварийные ситуации.
Огромное литье создает непрерывный путь нагрузки от столбов до монтажного фланца, устраняя сварные швы, которые могут устать при циклической нагрузке. Эта конструкция обеспечивает на 30% большую устойчивость к усталости по сравнению с сварными битьями, продлевая срок службы в приложениях высокого цикла.
Эти кусочки оптимизированы для сосудов Panamax и пост-панамакса в диапазоне от 50 000 до 200 000 дюймов, включая контейнерные корабли, объемные носители и нефтяные танкеры. Их грузоподъемность и размеры соответствуют требованиям к швартовке крупных судов, работающих на международных торговых маршрутах.
Установка требует полных сварных швов для основных элементов конструкции судна, следуя спецификациям сварки AWS D1.1. Монтажный фланец должен поддерживаться усиливающими пластинами (минимальная толщина 1 дюйма), приваренные к палубе или конструкции переборки для эффективного распределения нагрузок.
Ежемесячные проверки должны проверять наличие коррозии, схемы износа веревки и целостности сварки. Ежегодное обслуживание включает в себя покраски поврежденных областей с совместимыми морскими покрытиями и проверку крутящего момента монтажного оборудования. Тестирование нагрузки на уровне 125% SWL рекомендуется каждые 5 лет.
Литая сталь двойной битт
Mooel no | A | B | C | фд | y. | F | Wt. (Фунты) | РОГ |
| DF-2 | 40 ' | 27 ' | 14 ' | 7 ' | 11 ' | 16 ' | 375 | √ |
| DF-2A | 40 ' | 27 ' | 14 ' | 7 ' | 11 ' | 16 ' | 385 | X |
| DF-40 | 45 ' | 24 ' | 15 ' | 9 ' | 13 1/2 ' | 18 ' | 545 | √ |
| DF-40A | 45 ' | 24 ' | 15 ' | 9 ' | 13 1/2 ' | 18 ' | 560 | X |
Литые стальные причалкивающие двойные кусочки служат основой систем швартовки судов, обеспечивая надежные точки привязки для обеспечения нескольких линий швартировки во время причала, стыковки и оффшорных операций. Поскольку современные сосуды требуют повышенной способности швартовки для обработки больших грузовых нагрузок и более сильных сил окружающей среды, эти двойные биты обеспечивают исключительную прочность с гибкими возможностями управления линиями. Построенная из литой стали класса ASTM A27 в цельной конструкции, они оснащены двумя 14-дюймовыми столбами диаметром 42 дюйма, на расстоянии 24 дюйма друг от друга, чтобы разместить параллельные швартовки. Благодаря объединенной безопасной рабочей нагрузке (SWL) 1800 кН (183 тонн) эти биты спроектированы для крупных коммерческих судов, включая объемные носители, контейнерные корабли и танкеры СПГ, работающие в крупных портах по всему миру.
Две вертикальные посты имеют интегральное подкрепление базового уровня с 1-дюймовой лямкой, соединяющей их с 30-дюймовым квадратным монтажным фланцем. Каждое сообщение включает в себя конический верх (диаметр 6 дюймов на пике) с округлыми краями, чтобы предотвратить повреждение веревки, в то время как поверхности после полировки отполируются до 3,2 мкм RA 3,2 мкм, чтобы уменьшить трение. Расстояние позволяет одновременно обращаться с двумя веревками диаметром 90 мм с минимальными помехами.
Произведенные с использованием литья песчаника смолы для репликации сложной геометрии, биты получают последовательные свойства материала с прочностью растяжения, превышающей 400 МПа. Огромное литье устраняет сварные швы, которые создают потенциальные точки отказа, в то время как термообработка до 190 BHN обеспечивает оптимальную твердость для износостойкости. Неразрушающее тестирование подтверждает отсутствие внутренних дефектов в областях критической нагрузки.
Вся сборка подвергается многоэтапной обработке поверхности : абразивную взрыву в SA 3.0, применение эпоксидного праймера, богатого цинком 150 мкм, и отделочное покрытие 80 мкм морского полиуретана. Эта система обеспечивает более 2000 часов устойчивости к солевым распылителям на ASTM B117. Дренажные каналы, обработанные в базовый фланец, предотвращают объединение воды вокруг монтажных болтов.
Двойные посты позволяют самостоятельно закреплять и регулировать несколько линий швартировки, обеспечивая точный контроль напряжения и снижая риск запутывания линии. Эта конфигурация обеспечивает эксплуатационную гибкость для обработки различных сценариев швартовки, включая порт, оффшорное якорное якорь и аварийные ситуации.
Огромное литье создает непрерывный путь нагрузки от столбов до монтажного фланца, устраняя сварные швы, которые могут устать при циклической нагрузке. Эта конструкция обеспечивает на 30% большую устойчивость к усталости по сравнению с сварными битьями, продлевая срок службы в приложениях высокого цикла.
Эти кусочки оптимизированы для сосудов Panamax и пост-панамакса в диапазоне от 50 000 до 200 000 дюймов, включая контейнерные корабли, объемные носители и нефтяные танкеры. Их грузоподъемность и размеры соответствуют требованиям к швартовке крупных судов, работающих на международных торговых маршрутах.
Установка требует полных сварных швов для основных элементов конструкции судна, следуя спецификациям сварки AWS D1.1. Монтажный фланец должен поддерживаться усиливающими пластинами (минимальная толщина 1 дюйма), приваренные к палубе или конструкции переборки для эффективного распределения нагрузок.
Ежемесячные проверки должны проверять наличие коррозии, схемы износа веревки и целостности сварки. Ежегодное обслуживание включает в себя покраски поврежденных областей с совместимыми морскими покрытиями и проверку крутящего момента монтажного оборудования. Тестирование нагрузки на уровне 125% SWL рекомендуется каждые 5 лет.
А DF-274-5 2 собака поднята водонепроницаемым люком является премиальной морской палубой, разработанной HEE (Changshu Haichuan Engineering & Equipment Co., Ltd.), ведущим китайским производителем, специализирующимся на морском и оффшорном оборудовании. Предназначенный для удовлетворения критической необходимости надежной водостойкости в суровых морских средах, этот люк служит защитным барьером для отверстий палубы, предотвращения входа в воду, накопления пыли и коррозии, которая может повредить внутренние компоненты сосудов, оффшорных платформ или порт -инфраструктуры.