А DF-274-5 2 собака поднята водонепроницаемым люком является премиальной морской палубой, разработанной HEE (Changshu Haichuan Engineering & Equipment Co., Ltd.), ведущим китайским производителем, специализирующимся на морском и оффшорном оборудовании. Предназначенный для удовлетворения критической необходимости надежной водостойкости в суровых морских средах, этот люк служит защитным барьером для отверстий палубы, предотвращения входа в воду, накопления пыли и коррозии, которая может повредить внутренние компоненты сосудов, оффшорных платформ или порт -инфраструктуры.
| штат: | |
|---|---|
| Количество: | |
DF-274-5
DF-274-5 2 собака поднята водонепроницаемым люком
В отличие от Generic Heach Solutions, DF-274-5 интегрирует надежную конструкцию с пользовательским дизайном, что делает его подходящим как для коммерческих, так и для промышленных применений. При поддержке десятилетий производственного опыта Хи, люк придерживается международных стандартов качества и проходит строгие тестирование производительности, чтобы обеспечить согласованность. Его повышенная структура повышает совместимость с неровными поверхностями палубы, в то время как механизм блокировки с двойной собакой упрощает работу-даже в сценариях высокого стресса. Для глобальных клиентов HEE предлагает справедливую доставку и адаптированную настройку, что еще больше укрепило DF-274-5 2 Dog Rawlight Hatch как лучший выбор для морских инженеров и менеджеров проектов.
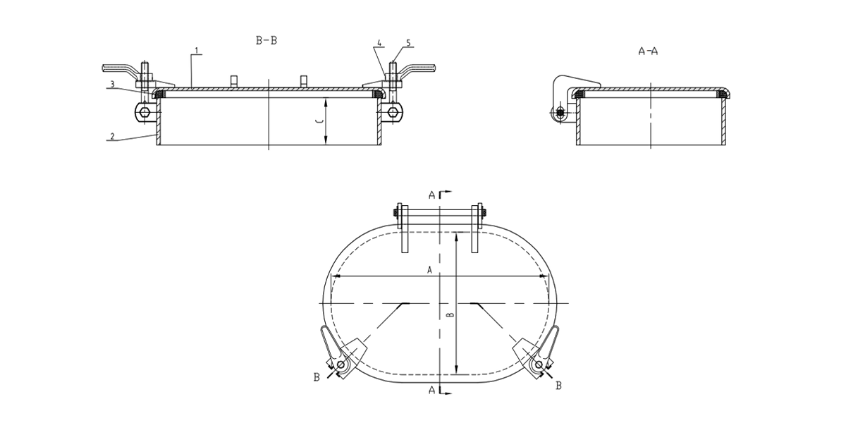
Точность в размерах имеет решающее значение для бесшовной интеграции палубы, а DF-274-5 спроектирован для соответствия строгим стандартам. В таблице ниже изложены его основные физические параметры:
Модель №. | А (длина) | B (ширина) | C (высота) | Мастерская (Масса) |
DF-274-5 | 23 ' | 15 ' | 5 ' | 90 фунтов |
Каждый компонент DF-274-5 2, поднятый для собаки, выбирается для долговечности и устойчивости к морскому износу. В таблице ниже подробно описываются характеристики материала, в то время как тестирование производительности подтверждает свои водонепроницаемые претензии:
Имя и спецификации | Количество | Материал |
Крышка (верхняя часть) | 1 | STEEL |
Коминг (рама палубы) | 1 | STEEL |
Запечатывающая прокладка | 1 | Неопрен |
Ручка для собак (блокировка) | 2 | ЧУГУН |
Болт, закрепляя) | 2 | Бронза |
Чтобы обеспечить бескомпромиссные водонепроницаемые показатели, DF-274-5 проходит обязательное испытание на утечку при давлении 0,04 МПа , что, превышающее отраслевые показатели для водостойких устойчивости в фитингах морской палубы. Этот тест имитирует сильный дождь, всплески волн и условия высокой влажности, гарантируя отсутствие проникновения воды, когда люк правильно закреплен.
Основное преимущество DF-274-5 2, поднятая водонепроницаемым люком, заключается в его исключительной способности Неопреновая герметизации . прокладка - синтетический каучук, известный для гибкости и химической стойкости, - сформирует плотное уплотнение между стальной крышкой и коамингом. В отличие от жестких прокладок, неопрена адаптируется к незначительным вибрациям палубы или термическим расширением, устраняя пробелы, которые вызывают утечки. Двойные чугунные ручки собаки работают в тандеме с бронзовыми болтами, чтобы равномерно распределить давление по прокладке, обеспечивая постоянное уплотнение даже после повторного использования. Этот дизайн делает люк идеальным для участков, подвергшихся воздействию соленой воды, сильных дождей или высокой влаги.
Морская среда требуют материалов, которые выдерживают соленую воду, окисление и воздействие, и DF-274-5 обеспечивает этот фронт. Стальная крышка и коамирование обеспечивают строгидность конструкции для обработки тяжелых нагрузок (например, пешеходного движения, размещения оборудования) без изгиба и трещин. Бронзовые болты на кухне сопротивляются ржавчине и гальванической коррозии, что является общей проблемой со стальными крепежными элементами в соленой воде. Между тем, чугунные ручки собаки обеспечивают превосходную износостойкость, обеспечивая плавную работу в течение многих лет без деформации. Для клиентов в экстремальных средах (например, оффшорные нефтяные выработки) HEE предлагает дополнительную оцинкованную оцинкованную отделку или конструкцию из нержавеющей стали для дальнейшего повышения коррозионной стойкости.
DF -274-5 предназначен для простоты использования, даже в узких пространствах или аварийных сценариях. Две ручки для собак имеют не скользящую рукоятку, что позволяет операторам быстро заблокировать/разблокировать люк-не требуется специализированных инструментов. В отличие от многопользовательских люков, которые требуют последовательного ужесточения, механизм с двойной собакой уменьшает время работы на 50%, что является критическим преимуществом во время срочного ремонта или груза. Кроме того, простая компонентная структура люка сводит к минимуму обслуживание: неопрена прокладка легко заменить, а стальные/бронзовые детали требуют лишь случайной очистки для поддержания производительности.
HIE признает, что каждый морской проект имеет уникальные требования, поэтому DF-274-5 2 Dog Resied Waterlight Hatch предлагает индивидуальные решения. Помимо стандартной стальной конструкции, клиенты могут выбрать нержавеющую сталь (316L) для экстремальной коррозионной стойкости (например, тропических морских сред) или гальванизации с горячим опаливанием для экономически эффективной защиты ржавчины. Также доступна настройка высоты: стандартное 5 -дюймовое уплотнение может быть отрегулировано в соответствии с отверстиями палубы различной глубины, обеспечивая бесшовную интеграцию с существующей инфраструктурой.
DF -274-5 является основным продуктом для грузовых кораблей, паромов и рыбацких сосудов. Обычно он устанавливается на палубных отверстиях, ведущих к грузам ниже палубы, в машинах или кварталах экипажа-обеспечение чувствительного оборудования (например, электрических систем, топливных баков) от повреждения воды во время грубых морей. Его вес 90 фунтов уравновешивает долговечность и переносимость, что делает его подходящим для судов среднего размера, где применяются ограничения на вес.
Оффшорные платформы работают в некоторых из самых суровых сред, поэтому DF-274-5-5 2 собак, приподнятый водонепроницаемый люк, спроектирован для выдержания соляного спрея, сильных ветров и колебаний температуры. Он используется для герметизации отверстий к валам технического обслуживания, отсеками для хранения и контрольных помещениях - предварительной коррозии критической инфраструктуры (например, трубопроводы, клапаны). Дополнительная конструкция из нержавеющей стали настоятельно рекомендуется для этих применений, так как она протягивает срок службы люка на 3–5 лет по сравнению со стандартной сталью.
Порты и доки требуют люков, которые могут обрабатывать тяжелый пешеходный трафик, движение оборудования и воздействие приливной воды. Стальная крышка DF -274-5 поддерживает нагрузку до 500 фунтов, что делает ее идеальным для установки на док-палубах, нагрузочных отсеках или туннелях по техническому обслуживанию. Его водонепроницаемый дизайн также защищает подземные коммунальные услуги (например, электрические кабели, водопроводные трубы) от наводнения во время прилива или сильных дождей.
Интермодальные контейнеры (например, доставка контейнеров, железнодорожные грузовые блоки) часто требуют люков для доступа к внутреннему хранилище. Повышенная конструкция DF -274-5 предотвращает объединение воды на крышке, что является общей проблемой с промывочными люками, которая приводит к утечке. Он используется для герметизации отверстий на охлажденных контейнерах (рифы) или контейнерах для опасных материалов, обеспечивающих защиту груза (например, пищи, химические вещества) от влаги и загрязнения во время транзита.
Хи (Changshu Haichuan Engineering & Equipment Co., Ltd.) обеспечивает сквозную поддержку DF-274-5 2 Dog, поднятый водонепроницаемым люком . Клиенты получают выгоду от:
· Консультация предварительной продажи: инженеры Хи помогают в проверке и настройке, чтобы обеспечить, чтобы люк соответствовал конкретным потребностям проекта.
· Глобальная доставка: отдача в срок в более чем 50 странах, с ускоренными вариантами срочных проектов.
· Служба послепродажи: запасные детали (например, неопреновые прокладки, бронзовые болты) доступны для быстрой доставки, минимизируя время простоя.
DF-274-5 2 собака поднята водонепроницаемым люком
В отличие от Generic Heach Solutions, DF-274-5 интегрирует надежную конструкцию с пользовательским дизайном, что делает его подходящим как для коммерческих, так и для промышленных применений. При поддержке десятилетий производственного опыта Хи, люк придерживается международных стандартов качества и проходит строгие тестирование производительности, чтобы обеспечить согласованность. Его повышенная структура повышает совместимость с неровными поверхностями палубы, в то время как механизм блокировки с двойной собакой упрощает работу-даже в сценариях высокого стресса. Для глобальных клиентов HEE предлагает справедливую доставку и адаптированную настройку, что еще больше укрепило DF-274-5 2 Dog Rawlight Hatch как лучший выбор для морских инженеров и менеджеров проектов.
Точность в размерах имеет решающее значение для бесшовной интеграции палубы, а DF-274-5 спроектирован для соответствия строгим стандартам. В таблице ниже изложены его основные физические параметры:
Модель №. | А (длина) | B (ширина) | C (высота) | Мастерская (Масса) |
DF-274-5 | 23 ' | 15 ' | 5 ' | 90 фунтов |
Каждый компонент DF-274-5 2, поднятый для собаки, выбирается для долговечности и устойчивости к морскому износу. В таблице ниже подробно описываются характеристики материала, в то время как тестирование производительности подтверждает свои водонепроницаемые претензии:
Имя и спецификации | Количество | Материал |
Крышка (верхняя часть) | 1 | STEEL |
Коминг (рама палубы) | 1 | STEEL |
Запечатывающая прокладка | 1 | Неопрен |
Ручка для собак (блокировка) | 2 | ЧУГУН |
Болт, закрепляя) | 2 | Бронза |
Чтобы обеспечить бескомпромиссные водонепроницаемые показатели, DF-274-5 проходит обязательное испытание на утечку при давлении 0,04 МПа , что, превышающее отраслевые показатели для водостойких устойчивости в фитингах морской палубы. Этот тест имитирует сильный дождь, всплески волн и условия высокой влажности, гарантируя отсутствие проникновения воды, когда люк правильно закреплен.
Основное преимущество DF-274-5 2, поднятая водонепроницаемым люком, заключается в его исключительной способности Неопреновая герметизации . прокладка - синтетический каучук, известный для гибкости и химической стойкости, - сформирует плотное уплотнение между стальной крышкой и коамингом. В отличие от жестких прокладок, неопрена адаптируется к незначительным вибрациям палубы или термическим расширением, устраняя пробелы, которые вызывают утечки. Двойные чугунные ручки собаки работают в тандеме с бронзовыми болтами, чтобы равномерно распределить давление по прокладке, обеспечивая постоянное уплотнение даже после повторного использования. Этот дизайн делает люк идеальным для участков, подвергшихся воздействию соленой воды, сильных дождей или высокой влаги.
Морская среда требуют материалов, которые выдерживают соленую воду, окисление и воздействие, и DF-274-5 обеспечивает этот фронт. Стальная крышка и коамирование обеспечивают строгидность конструкции для обработки тяжелых нагрузок (например, пешеходного движения, размещения оборудования) без изгиба и трещин. Бронзовые болты на кухне сопротивляются ржавчине и гальванической коррозии, что является общей проблемой со стальными крепежными элементами в соленой воде. Между тем, чугунные ручки собаки обеспечивают превосходную износостойкость, обеспечивая плавную работу в течение многих лет без деформации. Для клиентов в экстремальных средах (например, оффшорные нефтяные выработки) HEE предлагает дополнительную оцинкованную оцинкованную отделку или конструкцию из нержавеющей стали для дальнейшего повышения коррозионной стойкости.
DF -274-5 предназначен для простоты использования, даже в узких пространствах или аварийных сценариях. Две ручки для собак имеют не скользящую рукоятку, что позволяет операторам быстро заблокировать/разблокировать люк-не требуется специализированных инструментов. В отличие от многопользовательских люков, которые требуют последовательного ужесточения, механизм с двойной собакой уменьшает время работы на 50%, что является критическим преимуществом во время срочного ремонта или груза. Кроме того, простая компонентная структура люка сводит к минимуму обслуживание: неопрена прокладка легко заменить, а стальные/бронзовые детали требуют лишь случайной очистки для поддержания производительности.
HIE признает, что каждый морской проект имеет уникальные требования, поэтому DF-274-5 2 Dog Resied Waterlight Hatch предлагает индивидуальные решения. Помимо стандартной стальной конструкции, клиенты могут выбрать нержавеющую сталь (316L) для экстремальной коррозионной стойкости (например, тропических морских сред) или гальванизации с горячим опаливанием для экономически эффективной защиты ржавчины. Также доступна настройка высоты: стандартное 5 -дюймовое уплотнение может быть отрегулировано в соответствии с отверстиями палубы различной глубины, обеспечивая бесшовную интеграцию с существующей инфраструктурой.
DF -274-5 является основным продуктом для грузовых кораблей, паромов и рыбацких сосудов. Обычно он устанавливается на палубных отверстиях, ведущих к грузам ниже палубы, в машинах или кварталах экипажа-обеспечение чувствительного оборудования (например, электрических систем, топливных баков) от повреждения воды во время грубых морей. Его вес 90 фунтов уравновешивает долговечность и переносимость, что делает его подходящим для судов среднего размера, где применяются ограничения на вес.
Оффшорные платформы работают в некоторых из самых суровых сред, поэтому DF-274-5-5 2 собак, приподнятый водонепроницаемый люк, спроектирован для выдержания соляного спрея, сильных ветров и колебаний температуры. Он используется для герметизации отверстий к валам технического обслуживания, отсеками для хранения и контрольных помещениях - предварительной коррозии критической инфраструктуры (например, трубопроводы, клапаны). Дополнительная конструкция из нержавеющей стали настоятельно рекомендуется для этих применений, так как она протягивает срок службы люка на 3–5 лет по сравнению со стандартной сталью.
Порты и доки требуют люков, которые могут обрабатывать тяжелый пешеходный трафик, движение оборудования и воздействие приливной воды. Стальная крышка DF -274-5 поддерживает нагрузку до 500 фунтов, что делает ее идеальным для установки на док-палубах, нагрузочных отсеках или туннелях по техническому обслуживанию. Его водонепроницаемый дизайн также защищает подземные коммунальные услуги (например, электрические кабели, водопроводные трубы) от наводнения во время прилива или сильных дождей.
Интермодальные контейнеры (например, доставка контейнеров, железнодорожные грузовые блоки) часто требуют люков для доступа к внутреннему хранилище. Повышенная конструкция DF -274-5 предотвращает объединение воды на крышке, что является общей проблемой с промывочными люками, которая приводит к утечке. Он используется для герметизации отверстий на охлажденных контейнерах (рифы) или контейнерах для опасных материалов, обеспечивающих защиту груза (например, пищи, химические вещества) от влаги и загрязнения во время транзита.
Хи (Changshu Haichuan Engineering & Equipment Co., Ltd.) обеспечивает сквозную поддержку DF-274-5 2 Dog, поднятый водонепроницаемым люком . Клиенты получают выгоду от:
· Консультация предварительной продажи: инженеры Хи помогают в проверке и настройке, чтобы обеспечить, чтобы люк соответствовал конкретным потребностям проекта.
· Глобальная доставка: отдача в срок в более чем 50 странах, с ускоренными вариантами срочных проектов.
· Служба послепродажи: запасные детали (например, неопреновые прокладки, бронзовые болты) доступны для быстрой доставки, минимизируя время простоя.
А DF-274-5 2 собака поднята водонепроницаемым люком является премиальной морской палубой, разработанной HEE (Changshu Haichuan Engineering & Equipment Co., Ltd.), ведущим китайским производителем, специализирующимся на морском и оффшорном оборудовании. Предназначенный для удовлетворения критической необходимости надежной водостойкости в суровых морских средах, этот люк служит защитным барьером для отверстий палубы, предотвращения входа в воду, накопления пыли и коррозии, которая может повредить внутренние компоненты сосудов, оффшорных платформ или порт -инфраструктуры.